Vero Design - бельгийская компания, одна из старейших европейских фабрик, специализирующихся на производстве газовых каминов класса Премиум. Vero Design - это одна из немногих производителей каминов, работающих на газе, кто сам конструирует и производит. Благодаря многолетнему опыту и производству в Бельгии, достигается идеальное качество и надежность, что очень важно для любого газового оборудования.
Безопасность, комфорт и удобство в работе газовых каминов делают их с каждым годом все популярней. С газовым камином отпадает потребность в покупке дров и необходимость складировать их в помещение. Отсутствует риск вылетающих искр от горящих дров и попадание дыма в помещение. А еще не нужно тратить время на растопку камина и уборку золы в нем.
При всех описанных преимуществах, картина пламени в газовом камине и его цвет ничем не отличается от пламени при горении дров.
Система безопасности газового камина:
- Термодатчик в системе зажигания огня — блокирует подачу газа в каминную топку если нет возгорания в камине при его включении или если пламя в камине гаснет.
- Термодатчик в дымосборнике каминной топки – ТТВ, блокирует подачу газа в каминную топку если температура в дымосборнике превышает допустимый уровень нормального режима работы камина.
- Положение шиберной заслонки (модели NIPPON®) дает команду на подачу или отключение газа.
- Инфракрасный пульт дистанционного управления с защитой от непроизвольного включения камина детьми.
- Газовое соединение (штекер) со встроенной системой безопасности, перекрывающее подачу газа при превышении допустимого уровня температуры в месте соединения.
В комплект поставки входит:
- ТТВ - защита от обратной тяги (см. инструкцию по монтажу).
- Инфракрасный пульт дистанционного управления.
- Шланг для подвода газа с устройством обеспечения температурной безопасности (комплект розетка и штекер).
- Галька на выбор: белая, серая или вулканическая входят в комплект - поленья и аксессуары являются опциями.
Модельный ряд делится на открытые камины NIPPON и на закрытые камины GALA.
При заказе топки необходимо указать о типе газа, на котором будет работать камин (природный газ/бутан) и какой дымоход используется (обычный или коаксиальный).
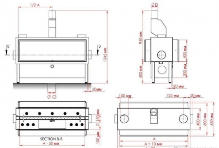
Технические
Для покупки товара в нашем интернет-магазине выберите понравившийся товар и добавьте его в корзину. Далее перейдите в Корзину и нажмите на «Оформить заказ» или «Быстрый заказ».
Когда оформляете быстрый заказ, напишите ФИО, телефон и e-mail. Вам перезвонит менеджер и уточнит условия заказа. По результатам разговора вам придет подтверждение оформления товара на почту или через СМС. Теперь останется только ждать доставки и радоваться новой покупке.
Оформление заказа в стандартном режиме выглядит следующим образом. Заполняете полностью форму по последовательным этапам: адрес, способ доставки, оплаты, данные о себе. Советуем в комментарии к заказу написать информацию, которая поможет курьеру вас найти. Нажмите кнопку «Оформить заказ».
Оплачивайте покупки удобным способом. В интернет-магазине доступно 3 варианта оплаты:
- Наличные при самовывозе или доставке курьером. Специалист свяжется с вами в день доставки, чтобы уточнить время и заранее подготовить сдачу с любой купюры. Вы подписываете товаросопроводительные документы, вносите денежные средства, получаете товар и чек.
- Безналичный расчет при самовывозе или оформлении в интернет-магазине: карты Visa и MasterCard. Чтобы оплатить покупку, система перенаправит вас на сервер системы ASSIST. Здесь нужно ввести номер карты, срок действия и имя держателя.
- Электронные системы при онлайн-заказе: PayPal, WebMoney и Яндекс.Деньги. Для совершения покупки система перенаправит вас на страницу платежного сервиса. Здесь необходимо заполнить форму по инструкции.
Экономьте время на получении заказа. В интернет-магазине доступно 3 варианта доставки:
- Курьерская доставка работает с 9.00 до 19.00. Когда товар поступит на склад, курьерская служба свяжется для уточнения деталей. Специалист предложит выбрать удобное время доставки и уточнит адрес. Осмотрите упаковку на целостность и соответствие указанной комплектации.
- Самовывоз из магазина или склада. Когда заказ поступит на склад, Вам придет уведомление. Мы свяжемся с Вами, уточним время в которое можете приехать.
- Транспортной компанией. Доставим товар в любой город до двери. Заказ можно оплатить при получении.
Самовывоз - 1-2 дня
Доставка курьером - 2-3 дня
Ростов-на-Дону:
Самовывоз - 3-4 дня
Доставка курьером - 4-5 дней
Самовывоз - 4-5 дней
Доставка курьером - 6-7 дней
Воронеж:
Самовывоз - 2 дня
Доставка курьером - 2-3 дня
Самовывоз - 6-7 дней
Доставка курьером -8-9дней
Москва:
Самовывоз - Сегодня
Доставка курьером - 1-2 дня








